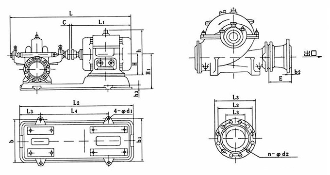
CZOW(S、SH)型單級雙吸蝸殼式中開離心泵用于輸送清水或者物理化學性質類似于水的其他液體之用。SH中開雙吸泵輸送溫度低于80℃。適用于城市給排水、工廠、礦山、電站和農田排灌以及各種水利工程之用。雙吸泵安裝說明書如下。
1.中開雙吸離心泵的安裝技術關鍵在于確定水泵安裝高度。高度是指水源水面到水泵葉輪中心線的垂直距離,它與允許吸上真空高度不能混淆。雙吸中開泵的安裝高度應該是允許吸上真空高度減去吸水管道損失揚程后,余下的那部分數值,需要克服實際地形吸水高度。中開雙吸泵安裝高度不能超過計算值,否則,單級雙吸泵將抽不上來水。
2.中開雙吸離心泵的安裝需要采用較短的管路布置,并且盡量減少彎頭等配件,可以適當考慮配大一號口徑的水管,以減少管內流速。
3.管道安裝技術,吸水管道要求有嚴格的密封性,不能漏氣和漏水,否則會破壞離心泵的真空度,使雙吸泵出水量減小,嚴重時甚至抽不上來水。
4.雙吸泵安裝高度,管路的傳動、直徑、流速嚴格負荷計算,盡量減少不必要的損失。
5.長時間輸送時,嚴格選取較大的管徑,雙吸離心泵的管路應該有自己的支撐架,不允許管路的重量加在雙吸泵上,避免把雙吸中開泵壓壞。
6.排出管路如果裝有逆止閥,應該裝在閘閥的外面。
單級雙吸泵生產廠家總結。推薦閱讀:雙吸泵操作使用方法


CHDF輕型臥式不銹鋼多級離心泵
CHL輕型臥式多級離心泵
FB全不銹鋼單級單吸耐腐蝕離心泵
